咨询热线
15343541037
网站首页
Home
关于我们
About Us
企业文化
资质荣誉
组织架构
业务领域
新闻资讯
News
公司动态
行业新闻
通知公告
招标信息
Business
招标公告
中标公告
项目信息
Project
地质类项目
安全类项目
水保类项目
政策法规
Policy
法律法规
行业标准
人力资源
Join us
人才理念
诚聘英才
联系我们
Contact us
当前位置:
首页
项目信息
安全类项目
地质类项目
安全类项目
水保类项目
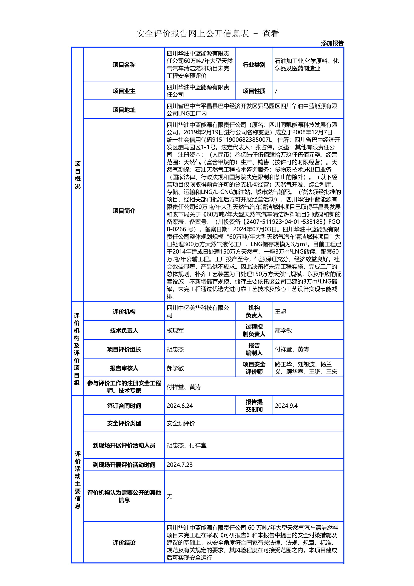
四川华油中蓝能源有限责任公司60万吨/年大型天然气汽车清洁燃料项目未完工程安全预评价
2024-10-18
上一篇:
四川广安华道水泥销售有限公司水泥用石灰岩60万吨/年改扩建工程安全设施验收评价
上一篇:
四川腾宇矿业有限公司卡子沟采石场年产79万吨建筑石料用灰岩新建项目安全预评价